Technical Drawings
 

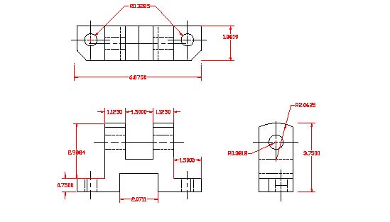
oprb57

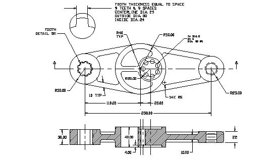
oprb59

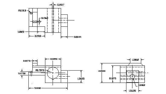
oprb63

machined piece